| Code & Description | Price | |
|---|---|---|
|
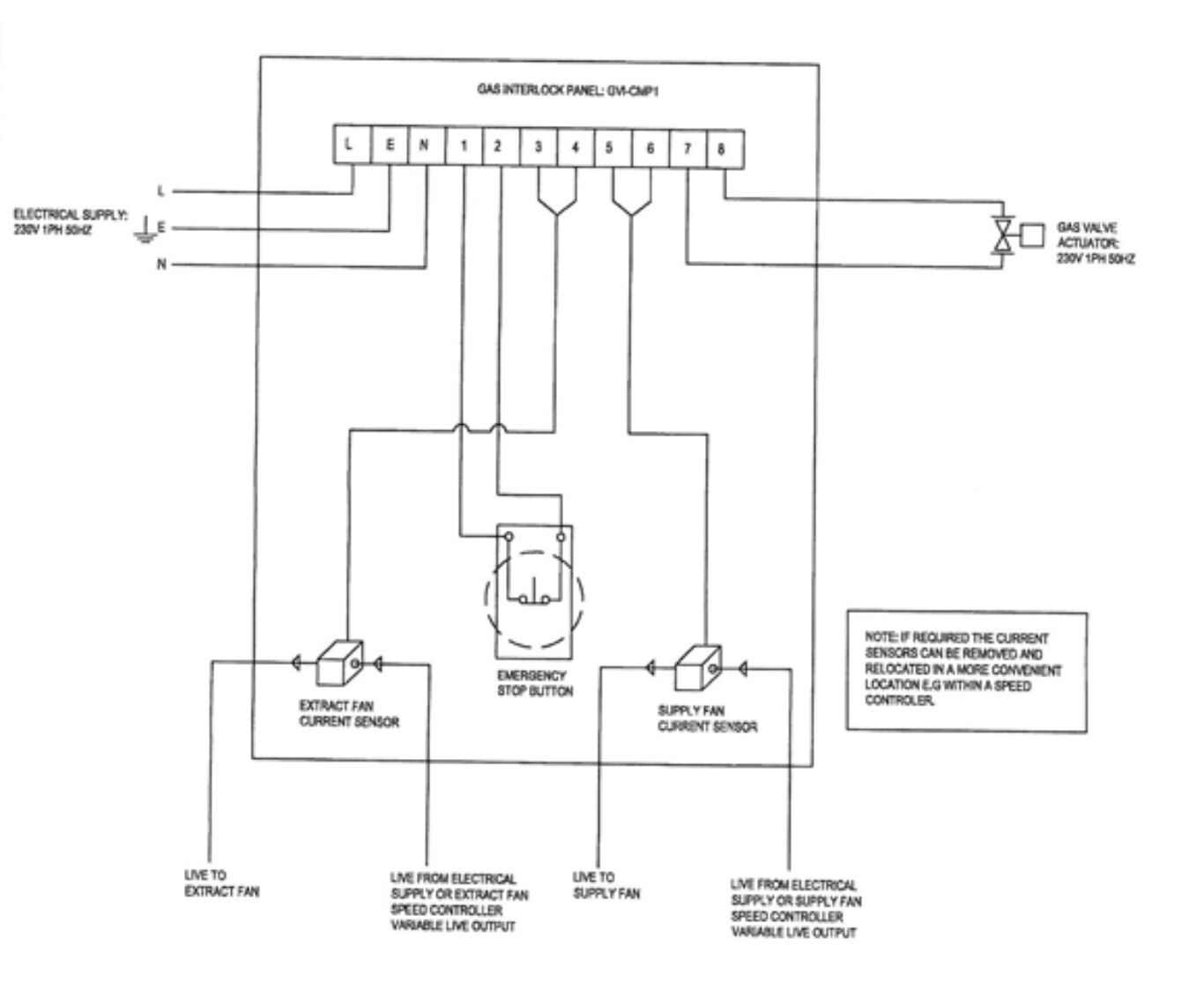
ncsp : NCSP Gas Ventilation Interlock Panel
|
£176.00 + VAT £211.20 | |
|
IN STOCK for Next Day Delivery / Collection |
||

Note: Code can only be used once per customer. Discount codes are entered after selecting shipping method.
Same day deliveries locally & nationwide (UK mainland only). Price on request — Send message with your order, or call 0161 864 1777.
NCSP Ventilation Gas interlock Panel
This is our cheapest and best selling Ventilation Gas Interlock Panel
The panel is designed to protect Kitchen staff from the dangers of Co2 fumes created when gas is used for cooking. It protects the staff by closing the Gas valve supplying the gas to the kitchen in the event of a lack of ventilation to extract the fumes; this is usually the result of an extract fan mechanical or electrical failure.
The NCSP complies with BS6173 – 2001 for Commercial Kitchens, where all Gas appliances are fitted with flame failure devices.
- The panel is suitable for Pressure sensing (preferred) or current sensing
- The Panel is suitable for use with any 1 Phase or 3 Phase Extract or Supply fan
- An Emergency Stop Button is mounted on the fascia
- The Panel has no fan electrical connections
- Different coloured lamps mounted on the fascia indicate
- Green – Airflow present
- Red – Airflow failure
- Blue – Gas on
This panel is one of our 3 standard panels from stock.
We can manufacturer a custom panel to suit any requirement, just contact us with the details

120mm wide
160mm high
105mm deep

GV1 — Gas Ventilation Interlock Panel
GV1 Ventilation Gas interlock Panel This panel is designed to protect Kitchen staff from the dangers of Co2 fumes created when gas is used for cooking. It protects the staff by closing the Gas valve supplying the gas to the kitchen in the event of a lack of ventilation to extract the fumes; this is usually the re ...
GV 2 Gas Ventilation Interlock Panel
GV2 Ventilation Gas interlock Panel This panel is designed to protect Kitchen staff from the dangers of Co2 fumes created when gas is used for cooking. It protects the staff by closing the Gas valve supplying the gas to the kitchen in the event of a lack of ventilation to extract the fumes; this is usually the re ...