FK-RZ150 : Helios Fans FK-RZ 150

Helios / (FK-RZ150)

Code & Description Price  
FK-RZ150 : Helios Fans FK-RZ 150
Note: £105.88 + VAT for new customers using 'WELCNFAN1' discount code!
£124.57 + VAT £149.48

IN STOCK for Next Day Delivery / Collection

We accept : Visa, MasterCard, Maestro & PayPal

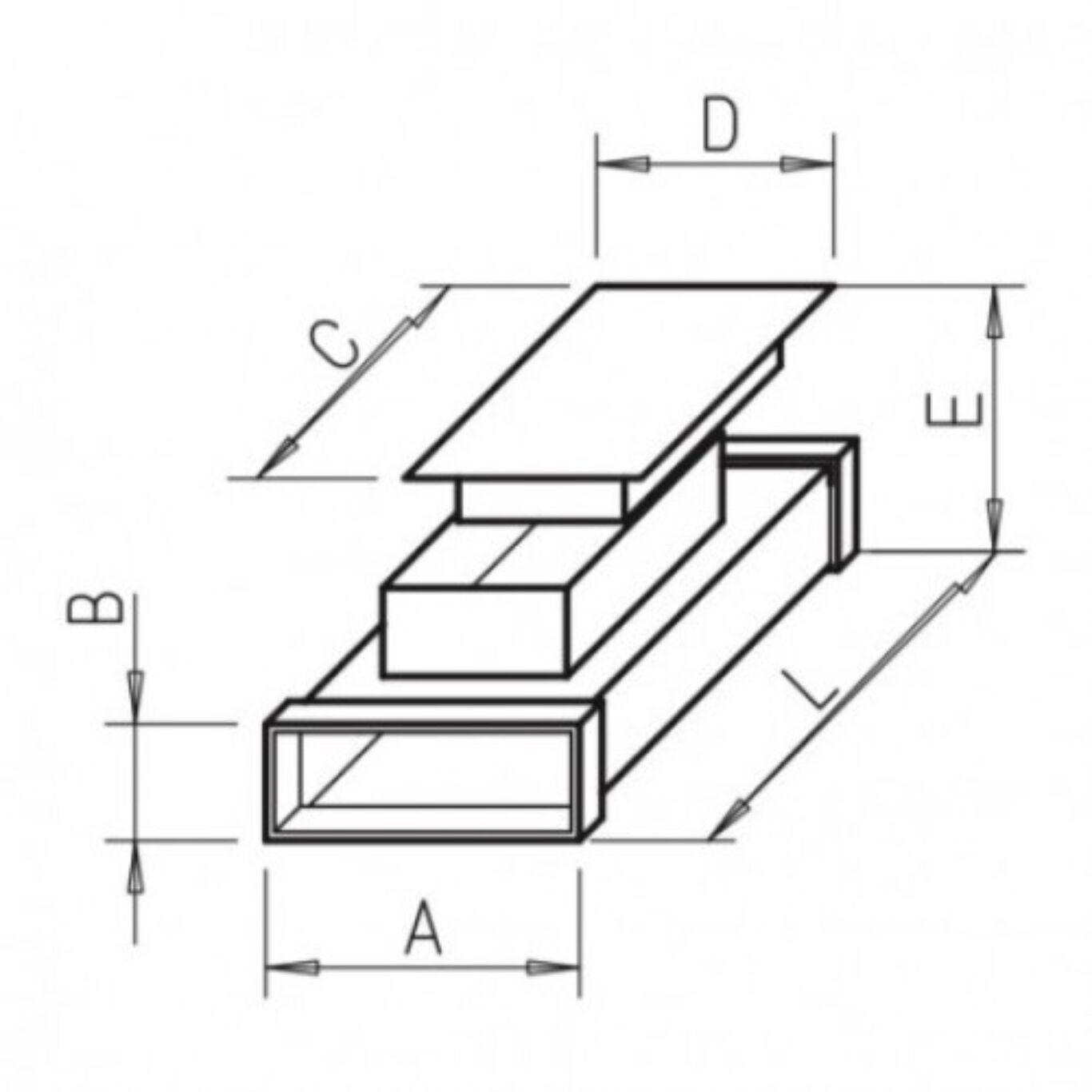
The Helios FK-RZ 150 is an intermediate access opening piece for use in flat duct systems measuring 15050 mm. Made from galvanized steel, it allows convenient inspection and maintenance of underfloor ventilation networks. Specifically designed for domestic installations, the FK-RZ 150 is ideal for concealed air distribution in modern building projects, offering durability, corrosion resistance, and reliable performance.

Back To Top

Cookies

We use analytical cookies that need your permission. For more details and advanced options view our Cookies Policy.