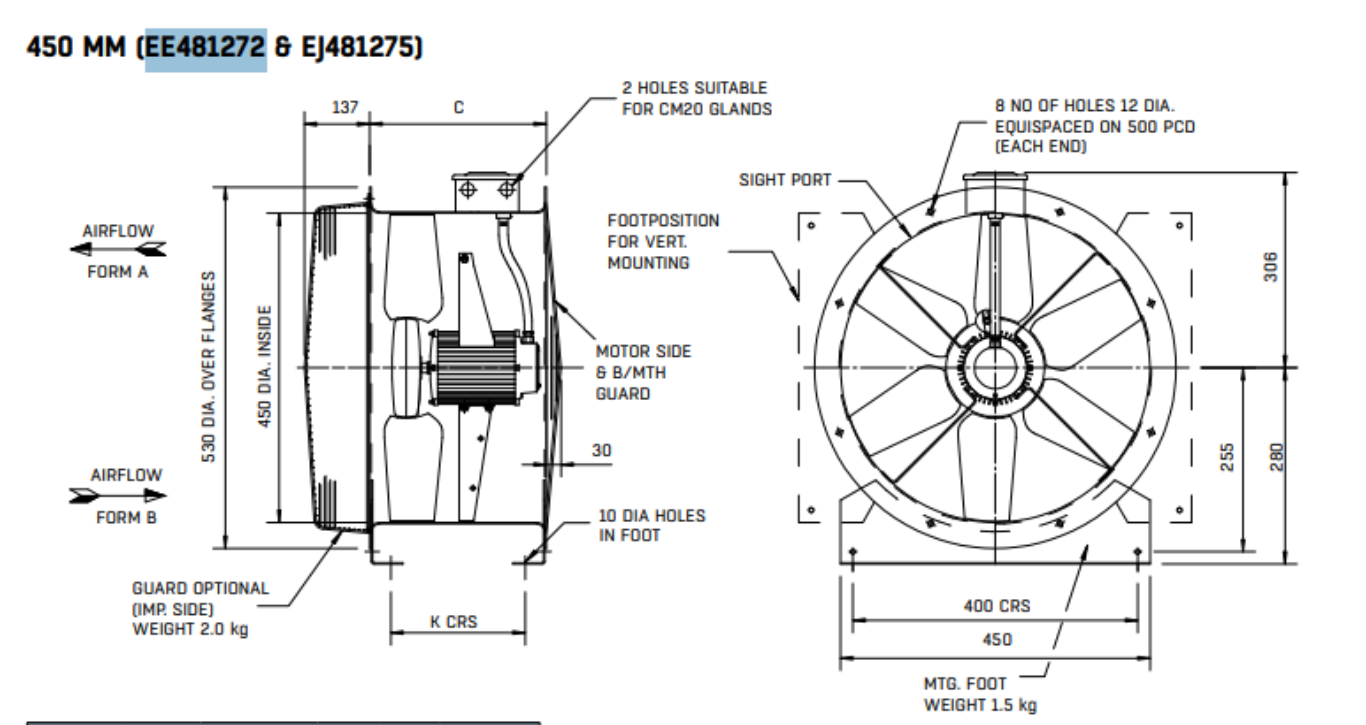
EE481272 : 45JM/16/2/5/20-deg 2pole 3ph Long Cased Axial Fan

Flakt Woods / (EE481272)

Code & Description Price  

Click & Collect

EE481272 : 45JM/16/2/5/20-deg 2pole 3ph Long Cased Axial Fan
Note: £822.86 + VAT for new customers using 'WELCNFAN1' discount code!
£968.07 + VAT £1,161.68

IN STOCK for Collection

** Delivery

EE481272 : 45JM/16/2/5/20-deg 2pole 3ph Long Cased Axial Fan
Note: £890.86 + VAT for new customers using 'WELCNFAN1' discount code!
£1,058.07 + VAT £1,269.68

IN STOCK for Next Day Delivery

** = £80 Additional Delivery Charge – FREE Click & Collect
We accept : Visa, MasterCard, Maestro & PayPal

The 45JM/16/2/5/20-deg long cased axial fan is a 2‑pole, 3‑phase fan suitable for various industrial and commercial ventilation requirements. Its axial design enables effective airflow through ductwork or confined spaces, while the long case construction provides stable housing for secure installation. This model is commonly used to support general ventilation, extraction, and air circulation tasks in plant rooms, workshops, processing areas, and other operational environments. Built for continuous operation, it provides dependable performance and stable airflow where reliable air movement is essential.

Specifications
Back To Top

Cookies

We use analytical cookies that need your permission. For more details and advanced options view our Cookies Policy.